Stahlschwinge d. 3 YA gegen die Aluschwinge d. 3 CW austauschen |
update 01/11/2006
Die Schwinge der FJ 1200 Typ 3 CW

Ja – sie ist ein herrlich Teil und kann
ganz leicht in die 3YA
eingebaut werden.

Hier nun ein Leitfaden, was zu
beachten ist .
Noch ein kurzes Vorwort.
Seit 1991 gibt es die FJ
1200, Typ 3YA, und wahrscheinlich bekam sie aus Kostengründen eine Stahlschwinge mit auf
den Weg.
Die Bauform ist jedoch mit der Alu-Schwinge der 3CW identisch, und jedem, der auf
poliertes Aluminium steht oder eine rostende Stahlschwinge unterm Hintern hat, ist dieser
Austausch zu empfehlen.

 |
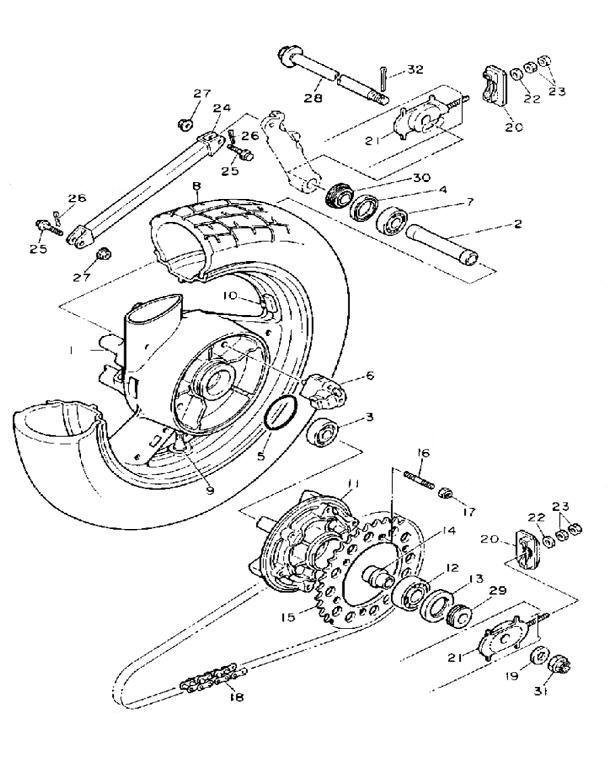
Achtet jedoch darauf, dass Ihr auch die kompletten Kettenspanner
, denn die aus der Stahlschwinge passen nicht
!!!!!
Auch die Unterlegscheiben der Hinterradachse könnt Ihr nicht weiter verwenden,
denn während bei der Stahlschwinge die Achsmutter auf der Außenseite der Schwinge
festgezogen wird (der Kettenspanner (Bild 2b / Nr. 20) füllt hier den kompletten Hohlraum innerhalb der Schwinge
und bietet dadurch genügend Gegendruck), wird die Achsmutter bei der Aluschwinge auf dem
Kettenspanner selbst festgezogen.
(klickt mal auf das Bild dann wird´s größer)
|
Und hier noch die Liste der Teile, die man
zwingend von der 3 CW braucht:
-
Aluschwinge (Bild 1 / Nr.1)
-
Kettenspanner + Deckel (Bild 2a / Nr.21 + 20)
-
U-Scheibe links (Bild 2a / Nr.19)
-
Steckachsen sind lt. meiner Liste von
Nummern alle gleich von 47E - 3YA
Alles besorgen und gegen die Stahlschwinge
einfach austauschen.
Umlenkblock und Knochen (samt Bolzen / Muttern)
der 3 YA werden weiter verwendet, genauso wie das Federbein.
Noch eines - schaut Euch die
"Verdickungen" an beiden Enden der Hülse (Bild 1 / Nr.2) von Eurer 3 YA und des "Neuen" genau
an und prüft diese Stellen mit dem Daumennagel, ob sich Einlaufspuren erfühlen lassen.
Finden sich Einlaufspuren, ist die Hülse Schrott und Ihr könnt auf die
Suche nach einer unbeschädigten gehen.
Das Ding drehen lassen wird kaum etwas nutzen, da die Flächen für die
Nadellager meines Erachtens mindestens eine Oberflächenhärtung haben - ein
Standardstahl würde mit ziemlicher Sicherheit nach nur wenigen km
Einlaufspuren aufweisen, welche dann die Nadellager wieder zerstören würden.
Denn sind Einlaufspuren
vorhanden, rasten die Wellen des (neuen) Nadellagers in diese "Kerben" ein.
Resultat -
sie überleben es nicht sehr lange und Ihr habt
Trauer.
Der Gummischutz (Bild 1 / Nr.30) vorne, gegen
das Durchschleifen der Schwinge, kann von der Stahlschwinge übernommen
werden, wenn er denn noch gut ist und nicht nach rd. 100.000 km schon selbst
durch ist. (Den Neuen gibt´s nur bei Yamaha – Preis 94,-€)
Einzig die Schwingenlager und die Lager der
Knochen - Aufnahme an der „neuen“ Schwinge sollten schon aufs Peinlichste
kontrolliert werden – besser wär´s, sie auszutauschen.
Dabei aber die Lager des „alten“ Umlenkblockes
auch gleich mit aufs Peinlichste kontrollieren und evtl. austauschen.
Die Lager für die Abstützung des
Zentralfederbeins bekommt Ihr meines Wissens nur bei Yamaha, die
Schwingenlager haben ebenfalls keine DIN-Größe.
Meines Wissens gibt es zwischenzeitlich aus dem Zubehör Schwingenlager, die die unten
genannte Alternative des Einbaus von insgesamt vier Lagern in der
Schwinge überflüssig machen. Da das Ein- oder Austreiben von Lagern nicht unbedingt
zu meinen Hobbys zählt, würde ich den Einbau dieser Zubehörlager vorziehen...
Man kann aber auch auf
Normteile der Firma INA zurückgreifen.
Der Lagersitz in der Schwinge ist mit 34mm Tiefe ausreichend groß um 2 Nadellager vom Typ
NK 25/16 mit einem Außendurchmesser von 33mm paarweise auf jeder Seite der Schwinge
einzubauen.
Bild 1
- die Schwinge der 3CW
(sollte es Euch zu klein sein, klickt drauf und es erscheint in groß)

Bild 2
- die Kettenspanner der
3 CW
& der
3 YA
(sollte es Euch zu klein sein, klickt drauf und es erscheint in groß)
3 CW
(Nr. 21 + 20)
Bild 2a
|
& |
3 YA
(Nr. 20 + 19)
Bild 2b
|
 |
|
 |
|
die Fiches
der Hinterräder
(sollten sie Euch zu klein sein, klickt drauf und
sie erscheinen in groß) |
 |
|
 |
|
die
Art.-Nummern jeweils dazu
zum Vergleichen
bzw. Neu-Bestellen
findet ihr hier
www.yamaha-motor.eu |
Und nun noch das immer wiederkehrende Gesülze
betreffend Haftung für Nachahmung der hier beschriebenen Arbeiten u.
Änderungen.
Jeglicher Nachbau / jegliche Nachahmung erfolgt
auf eigene Gefahr.
 |