Home

 

 

Fahrwerk

update 01/11/2006

Thunderace-Schwinge in die 3CW einbauen

Hier beschreibe ich den Einbau der 1.000er Thunderace Schwinge in die

 3CW.

Das Ganze ist wegen des seitlichen Versatzes der Federbeinaufnahme am Umlenkblock und Rahmen

auf die 3YA definitiv NICHT übertragbar !

Der Radstand verringert sich auch um ca. 1,5 - 2 cm, d.h. er wird kürzer, was Änderungen im Fahrverhalten ergibt - die FJ wird agiler beim Einlenken.

Allein die Kettenlänge der FJ könnte sich als zu groß erweisen, was sich aber mit einem Heraustrennen eines Gliedes und Verwendung eines Kettenschlosses sicher beheben lässt.

Dies konnte ich bislang aber noch nicht austesten.

Wenn hierzu ein Leser dieser Zeilen genaue Angaben machen könnte, wäre mir eine kurze Mail sehr willkommen. (Gem. den Aussagen im FJ-Forum ist das Kettenschloß wirklich von Nöten - ich empfehle ein sog. Schraubschloß.)

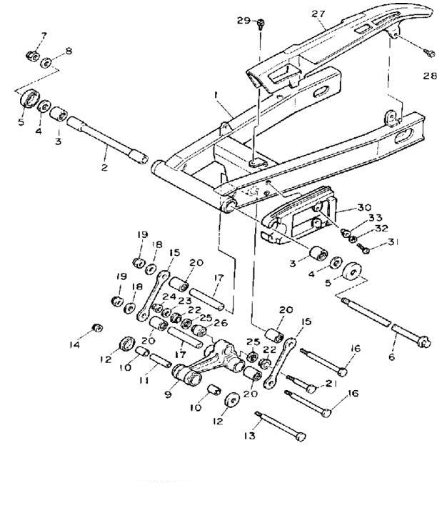
1. Hier die Liste der Teile, die man zwingend von der 3 CW braucht :

1.1.         Innenhülse (Bild 1 / Nr. 2)

1.2.         Unterlegscheiben (Bild 1 / Nr. 4)

1.3.         Kappen (Bild 1 / Nr. 5)

1.4.         Steckachse samt Mutter und U-Scheibe (Bild 1 / Nr. 6,7,8)

1.5.         gesamte Umlenkung der 3CW

1.6.         Federbein der 3CW

2. Hier die Liste der Teile, die Ihr zwingend von der Thunderace braucht::

2.1.         Schwinge

2.2.         Gummischutz gegen das Schleifen der Kette an der Schwinge

2.3.         ace-Felge 5,5 x 17" (die R62-Felge 5,5 x 17" passt nicht)

2.4.         Kettenradträger (das FJ-Kettenrad passt aber darauf)

2.5.         Ruckdämpfer zu 4.

2.6.         Kettenschutz

2.7.         Bremsscheibe

2.8.         Bremssattel

2.9.         Bremssattelhalter

2.10.       Bremsankerstrebe

2.11.       Radsteckachse

2.12.       "Prismen" für die Spureinstellung

2.13.       Distanzstück #1 - links zwischen Kettenradträger und Schwinge

2.14.       Distanzstück #2 - rechts zwischen Bremssattelhalter und Felge

3. Hier die Liste der Teile, die Ihr sonst noch zwingend braucht :

3.1.         Schraub- / Nietschloß, um die gekürzte FJ-Kette schließen zu können

3.2.         2 U-Scheiben Dicke 5 mm, außen ca. 25 - 30 mm, innen 11 mm

3.3.         um 1 cm kürzere Knochen

 

Zu Pkt. 1.1 noch eines - schaut Euch die "Verdickungen" der Hülse (Bild 1 / Nr. 2) von Eurer 3CW genau an und prüft diese Stellen, ob sich Einlaufspuren finden lassen - mit dem Daumennagel drüber und wenn´s richtig hakt, ist die Lauffläche kaputt, sprich ist die Hülse Schrott und Ihr könnt auf die Suche nach einer Guten gehen oder Euch ein solches Teil vom Dreher Eures größten Vertrauens neu anfertigen lassen.

Denn sind echte Einlaufspuren vorhanden, rasten die Wellen des (neuen) Nadellagers in diese "Kerben" ein. Das überleben sie nicht sehr lange und Ihr habt Trauer.

Auch die Schwingenlager und die Lager der Knochen - Aufnahme an der „neuen“ Schwinge sollten schon aufs Peinlichste kontrolliert werden – besser wär´s, sie auszutauschen.

Umlenkblock und Knochen (samt Bolzen / Muttern) der 3CW werden weiter verwendet (X), genauso wie das Federbein und die Distanzscheiben in den beiden Kappen.

 (X) nach Aussage von Soundfan (Mike) müssen wohl um 1cm kürzere Knochen verbaut werden, damit die Effe hinten wieder auf das normale Maß angehoben wird - liegt wohl an der etwas anderen Geometrie der Schwinge.

Dabei aber auch die Lager des „alten“ Umlenkblockes gleich mit aufs Peinlichste kontrollieren und evtl. austauschen.

Zum Thema Lager noch Folgendes:
- Die Lager für die Abstützung (Umlenkblock) des Zentralfederbeins bekommt Ihr meines Wissens nur bei Yamaha. :o)
- Bei den Schwingenlagern (Bild 1 u. 2 / Nr. 3) kann man auf Normteile der Firma SKF zurückgreifen.
Der Lagersitz in der FJ - Schwinge ist mit 34 mm Tiefe ausreichend tief, um 2 Nadellager mit Borden vom Typ NK 25/16 mit einem Außendurchmesser von 33mm und einer Länge von 16 mm paarweise auf jeder Seite der Schwinge einzubauen.

Doch nun weiter mit der Beschreibung des Umbaues.

In die Ace-Schwinge passt die Innenhülse (Bild 1 / Nr. 2) der FJ saugend hinein, womit das Problem der dickeren Steckachse der Ace (28mm) kein Solches mehr ist, denn nun passt die Steckachse der FJ (22mm).

Was aber zu ändern ist, ist die Einbaubreite der Ace-Schwinge.

Die FJ Schwinge ist ca. 245,5 mm breit, die Ace-Schwinge aber ca. 255 mm.

Dies ergibt ein Übermaß von rd. ca. 9,5 -10,0 mm, je nach Fertigungstoleranz.

Hier ist nun genauestes Messen angesagt, denn die FJ - Innenhülse (Bild 1 / Nr. 2) MUSS ! links und rechts um mindestens rd. 0,5 mm aus dem Schwingenkopf (Bild 2 / Pfeil A) heraus schauen, damit der Druck der später angezogenen Steckachse (95 Nm) sich darauf abstützt und nicht etwa den Schwingenkopf einklemmt.

Die FJ - Innenhülse ist also das absolut zwingende Maß, das zu berücksichtigen ist.

Den oben genannten Überstand von jeweils 0,5 mm (li. + re.) ermittelt Ihr am Besten (und sicherheitshalber) an eurer alten Schwinge - nur dann könnt ihr sicher sein, dass alle weiteren Arbeiten nicht in die Wicken gehen und Ihr evtl. eure teure Schwinge ruiniert. Größer als 0,5 mm sollte der Überstand je Seite aber auf keinen Fall sein, denn dann hätte man ein horizontales Spiel von 1 mm in der Schwinge und ein feinfühliges Popometer würde dies evtl. erfühlen, was dann wieder zu unangenehmem Fahrgefühl führen würde. Also Vorsicht.

Und eben aus diesen beiden Maßen
     1.    Innenhülse minus 1,0 mm (2 x 0,5 mm li. + re.)
     2.    Breite der Ace-Schwinge
ergibt sich
     3.    Pkt. 2. minus Pkt. 1. geteilt durch 2 = Einsetzmaß je Lager

ergibt sich das Maß, um welches die Lager tiefer in die Ace-Schwinge verschoben / weiter eingepresst werden müssen.

Doch Vorsicht - verrechnet man sich hier, bekommt der Schwingenkopf durch die weiter unten beschriebenen Arbeiten evtl. zuviel seitliches Spiel und die Schwinge kann auf der Steckachse nach links und rechts rutschen, was sich dann wiederum im Fahrverhalten negativ auswirken kann!

Oder aber der Schwingenkopf bleibt zu breit und man bekommt die Schwinge nicht in den Rahmen hinein.

Ist wirklich eine sehr genaue Arbeit, die man hier abliefern muß.

Das Tiefersetzen der Lager geht hervorragend mit einer 10er Gewindestange (+ 2 dicke U-Scheiben und 2 Muttern) und zwei passenden Nüssen, als Presseinsatz, aus dem Ratschenkasten.

Eine Nuß als Widerlager auf dem Schwingenkopf, die andere Nuß als Passungsteil auf dem Lager selbst.

So wird nur ein Lager bewegt und man kann bestens nachmessen, wie weit es gewandert ist.

Auf diese Weise kann man jedes Lager für sich aufs Sanfteste und vor allem aufs Genaueste tiefer setzen / weiter einpressen.

Hierbei aber bitte nicht "wie Bolle" ans Werk gehen, sondern nach jeder halben Umdrehung der Mutter die nun neue Einsetztiefe des Lagers mit dem Tiefenmesser einer Schieblehre kontrollieren.

Ja, ist sehr zeitaufwändig, dieses immer wieder Kontrollieren, aber zwingend notwendig - ich kann´s nur nochmals betonen - langsames Vorgehen ist hier schneller, als einmal zuviel gerissen.

Sind die Lager nun in die korrekte "Tiefe" geschoben, (0,5 oder 1,0 mm "zu tief" sind kein Beinbruch, da die Länge der Lagerflächen der Innenhülse hier genügend "Luft" erlaubt) kommt die zweite Aktion, dass nämlich der Überstand des Schwingenkopfes abgetragen, sprich weggesägt (Bild 2 / Pfeil A) , werden muß.

Dies muß sehr sorgfältig geschehen, damit man nicht mit dem Sägeblatt den Lagerkäfig massiv ankratzt und beschädigt.

Auf gar keinen Fall die Flex benutzen - damit zerstört Ihr ratz fatz den Lagerkäfig!!!

Also beim Ansetzen der Säge nicht zu knapp rangehen, aber auch wieder nicht zuviel stehen lassen, sonst ist man nachher mit der Feile am Ackern, dass einem die Arme qualmen.

Die nun neue ALU-Kante  (Bild 2 / Pfeil A) muß rund herum bis auf die Kante / die Außenfläche des Lagers herunter gefeilt werden, damit die Innenhülse daraus hervor stehen kann - nicht vergessen!

Ob man wirklich bis auf die Höhe des Lagers abgefeilt hat, kann man mit dem Meßschieber (Schieblehre) und einer Lampe gut testen. Einfach die Schieblehre mit ihrem langen Arm auflegen, Licht dahinter halten und, wenn noch was durchscheint, weiter feilen.

Dabei noch etwas Wichtiges.

Die Schnittkante im Alu muß exakt mit der Lager-Außenkante fluchten, sonst ist die Innenhülse "zu Kurz" und man klemmt die Schwinge wiederum ein. Also lieber einmal zu oft geprüft als einmal zu wenig.

Ist nun diese Arbeit erledigt geht alles andere, davon ausgehend, dass eure alte Schwinge bereits ausgebaut ist - Ihr braucht ja deren Innenhülse, relativ schnell.

Lager der Ace-Schwinge aufs Peinlichste genau von den Aluspänen (vom Sägen u. Feilen) befreien und dann mit gutem Lagerfett reichlich einfetten, eigentlich sogar das Fett sozusagen in die Lager "einmassieren", also mit dem Finger einfüllen und dann mit sanftem Druck die Lager drehen, so dass sich das Fett auch zwischen und hinter die Lagerrollen zwängt.

Was noch notwendig ist, ist das Platz schaffen für das Federbein der FJ in der Ace-Schwinge.

Wenn ihr sie vor Euch liegen habt, seht Ihr auf der Ober- und Unterseite in dem Loch für das Federbein jeweils zwei eingeschweißte Alu-Bleche (Bild 2 / Pfeil B).

Das so entstandene Loch ist etwas zu gering für die FJ-Federbeine.

Ergo ist hier Arbeit angesagt.

Es reicht aber, wenn man nur einen Teil der Bleche innen wegnimmt.

Anhaltspunkt sind die Bohrungen in den Blechen  (Bild 2 / Pfeil C) und die Schweißnähte - diese alle sollten komplett erhalten bleiben.

Also ca. 1 mm davon weg bleiben beim Wegnehmen.

Für´s grobe Vorarbeiten habe ich die Flex mit einer Schruppscheibe bemüht und bin dann mit der Halbrundfeile hinterher, um das Ganze noch zu entgraten.

Nun geht´s ans Vorbereiten der FJ selbst.

Die Ace - Schwinge ist ein wenig breiter als die FJ-Schwinge.

Deswegen kämen eigentlich die Auspufftöpfe und der Bremslichtschalter zu nahe an die Ace-Schwinge heran, was zumindest zu massiven Kratzern führen würde, wenn nicht sogar zu noch mehr Problemen - es muß also "Luft" geschaffen werden.

Dazu sind die Auspufftöpfe zu demontieren und die Fußrastenplatten zu lösen und wie folgt neu zu justieren.

-        Fußrasten beidseitig demontieren

-        Schalthebel komplett abschrauben, Bremshebel kann dran bleiben

-        die Schrauben Nr. 1 u. 2 , Bild 3 sind nur zu lösen - nicht herausschrauben!

-        die Schraube Nr. 3, Bild 3 ganz herausschrauben

-        die Schraube Nr. 4, Bild 3 nicht anrühren – sie hält den Unterzug weiterhin schön fest

-        jetzt die Fußrastenplatte links und rechts etwas abziehen und jeweils zwischen F.-Platte und Rahmen eine U-Scheibe Pos. 3.2 (X) so zwischen legen, dass sie mit Schraube Nr. 4 „gefangen“ wird.

-        ABER ACHTUNG - diese Schraube Nr. 4 hält auch den Heckrahmen.
Also erst eine Seite fertig machen und dann erst die Andere, sonst knallt Euch evtl. der Heckrahmen runter.

-        (X) Auf die Weise kommt die F.-Platte hinten ca. 1 cm weiter heraus und man bekommt genügend Platz für Auspuffbefestigung und Bremslichtschalter

-        Nun alles wieder fein anschrauben und fest ziehen – Drehmomente bitte beachten! 

Jetzt kann die Ace-Schwinge eigentlich in den Rahmen gebaut werden, aber nicht ohne eine nochmalige Kontrolle der Arbeiten.

Dazu die FJ-Innenhülse einführen und kontrollieren, ob sie auch wirklich beidseitig ca. 0,5 mm über das Alu hinaus (Bild 2 / Pfeil A) heraus schaut.

Kleiner Tip zur Vorgehensweise:
Schwinge mit einer Seite auf dem Tisch aufstützen und das dann "oben" überstehende Maß an der Innenhülse abnehmen - sollten dann auf dieser Seite rundum 1,0 mm sein.

Dann erst die beiden U-Scheiben in die beiden Kappen einlegen, die Kappen auf den Schwingenkopf stecken und die Schwinge in eure FJ einbauen.

Denkt daran - die Schwinge oberhalb der eigentlichen Position von hinten in den Rahmen einführen und dann nach unten bewegen, bis die Steckachse ihren Weg findet.

Ein Gummihammer tut hier erst beim Einsetzen der Schwinge und dann der Steckachse hervorragende Dienste, denn hat man richtig gekürzt, geht die Schwinge nur ganz knapp rein, will sagen, sie klemmt ein klitze klein wenig, aber das macht auch die originale FJ-Schwinge.

Nun noch U-Scheibe und Mutter auf die Steckachse aufschrauben und anziehen (95 Nm) - soweit so schön.

Doch jetzt zeigt sich, ob man richtig gearbeitet hat und die Innenhülse wirklich das Spiel hervorruft, das für die leichte Bewegungsfreiheit der Schwinge (nur auf und ab ist gemeint - horizontal sollte da nahezu null Spiel sein).

Denn würde die Schwinge nun klemmen, wäre Nacharbeiten angesagt, also Schwinge wieder raus, Lager evtl. jeweils nochmals um ca. 0,3 mm tiefer setzen und Alu wegfeilen oder nur Alu wegfeilen.

Nun das Federbein von unten durch das Loch der Schwinge einführen und den oberen Bolzen einstecken und Mutter drauf (U-Scheibe gibt´s hier nicht) (65 Nm).

Im gleichen Zuge das Federbein unten mit Umlenkblock verschrauben und die Mutter sofort mit 65 Nm anziehen.

 Achtung - Geht später nicht mehr.

Jetzt die "Knochen" am Umlenkblock anschrauben (U-Scheibe unter der Mutter nicht vergessen) und auch an der Schwinge anschrauben (beide auch mit 65 Nm).

Hier bin ich auf eine kleine "Ungenauigkeit" gestoßen, d.h. der Anlenkpunkt an der Schwinge ist ca. 3-4 mm schmaler als sein "Gegenüber" am Umlenkblock.

Ich habe mir mit zwei, zwischen Knochen und Anschlagpunkt zwischen gelegten, U-Scheiben weiter geholfen, andere meinten, man könne doch den Knochen eine leichte Schmiege verpassen, sprich sie in "S"-Form kaltverbiegen.

Ist nicht mein Ding, aber wer´s mag....

Der Rest ist nun fast Routine zu nennen.

Den Gummi-Schleifschutz anschrauben und den Kettenschutz verbauen.

Hinterradeinbau samt Bremssattelträger dem Prinzip nach wie bei der FJ mit der kleinen Abweichung, dass der Bremssattel der Ace unten hängt und die Steckachse hohl ist.

Die Kettenspanner sind genial einfach zu handhaben und die Bremsankerstrebe sieht auch wesentlich besser aus.

Ace-Bremssattel mit der Bremsleitung verbinden, alles fein entlüften,

Auspuff dran und

fäddisch sollte die FJ mit Ace-Schwinge sein.

 

Jetzt nochmals bitte alle Schraubverbindungen im Geiste durchgehen, ob man auch wirklich alles richtig angezogen hat, dann Hände gewaschen, Helm auf und ne kleine Runde gedreht als Testfahrt, ob auch nichts wackelt.

Jetzt nur noch zum TÜV mit der Fuhre und dann ab auf die Landstraße oder zum Treffpunkt mit den Kumpels und wirklich voller Stolz zeigen, was man gerade geschafft hat.

 

Viel Spass

Eure Schleife

 

Bild 1 die Schwinge der 3CW
(sollte es Euch zu klein sein, klickt drauf und es erscheint in groß)

 

Bild 2 die Schwinge der Thunderace
(sollte es Euch zu klein sein, klickt drauf und es erscheint in groß)

 

Bild 3 Fußrastenplatten der FJ (3CW)
(sollte es Euch zu klein sein, klickt drauf und es erscheint in groß)

 

Und hier noch das immer wiederkehrende Gesülze betreffend Haftung für Nachahmung der hier beschriebenen Arbeiten u. Änderungen.

Jeglicher Nachbau / jegliche Nachahmung erfolgt auf
eigene Gefahr und eigenes Risiko !

 

top.gif (1120 Byte)