lara.jpg (6699 Byte)

 

Home

 

 

Elektrik

 

 

 

Warnblinkanlage á la Detlef Kern

 

Zitat von seiner ehemaligen Homepage:

___________________________________________________________________________

 

 

Auch ich (Detlef ) habe mir schon mal Gedanken darum gemacht, wie man eine Warnblinkanlage für's Motorrad am besten verwirklichen kann.

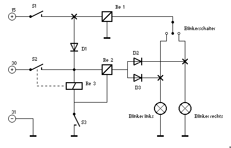
Was nach Langem hin und her dabei herausgekommen ist, seht ihr unten.

Da ich nicht von jedem voraussetzten kann und will, daß er die prinzipielle Schaltung eines Blinkers frei im Gedächtnis hat, möchte ich dies nachfolgend zuerst einmal kurz skizzieren..

 

 

Grundschaltung :

 

 

 

 

Die Klemmenbezeichnung laut Norm:

     

     15 

      Plus nach Zündung

     30 

      Dauerplus

     31 

      Masse

 

 

Klemmenbezeichnung am Blinkrelais

     

     49 

      Eingang

     49a 

      Ausgang 

     31 

      Masse

 

 

Die Anforderungen, die ich an die Schaltung gestellt habe, sind folgende:

  • den Eingriff in die Fahrzeug-Elektrik so gering wie Möglich halten.

  • Bauteile verwenden, die jeder zur Verfügung hat, oder die ohne weiteres zu beziehen sind

 

 

Diese Grundschaltung habe ich dann wie folgt geändert:
 

 

 

Stückliste

Re 1

original Blinkrelais

Re 2

zusätzliches Blinkrelais

Re 3

Kfz Standard - Relais

D1 - D3

Diode SB 550 (BY 550 - 50) 

S3

Kfz E/A - Schalter ggf. mit Beleuchtung

-

Kabel mit  Ø  1,0² oder 1,5²

-

div. Stecker 6,3mm (mit Isolierung)


 

Funktionsbeschreibung

  • Die Warnblinkanlage funktioniert ähnlich wie bei "BMW"

  • Voraussetzung ist, daß die Zündung (S1) eingeschaltet ist.
    Nach Betätigen des Warnblinkschalters (S2) bleibt die Schaltung so lange aktiv, bis Sie mit diesem Schalter wieder deaktiviert wird.

  • Während des Betriebes kann die Zündung ausgeschaltet und der Schlüssel abgezogen werden.

  • Nach Ausschalten der Warnblinkanlage ist ein erneutes Einschalten ohne Zündung "AN" nicht mehr möglich.

  • Diese Art der Schaltung hat einen ganz besonderen Vorteil.
    Niemand kann unbeabsichtigt oder sogar mutwillig die Warnblinkanlage einschalten.
    Denn bei einer Belastung der Motorradbatterie (bei 12 - 14Ah) mit 84W, welche sich aus 4x 21W ergeben, ist diese schnell leer - geschätzt 1,5 Stunden.

 

 

Aufbau:

Hierzu sei nur zu sagen, daß dies eigentlich für jeden machbar ist.

Beim wahrlosen Verdrahten gibt es Aufgrund des Schaltungsaufbau einen verheerenden Kabelsalat. Ich nenne so was 3D-Technik.

Deshalb schlage ich vor, die beiden Relais mit Tape zu verbinden.

Anhand der vorherigen Schaltung und der Bezeichnung auf den Relais, ergibt sich der Aufbau von allein.

Auf keinen Fall sollte man die 3 Dioden vergessen, da es ohne sie wahrscheinlich zu Störungen kommen kann.

Eine fliegende Sicherung sollte man in der Zuleitung (Klemme 30)  auch einzufügen

 – min. : 84 W / 12 V   =   7 A   =>   10 A , besser 20 A .

Besser ist besser. 

 

 

Und hier das Ganze als
 PDF-Datei
zum Download

 

___________________________________________________________________________

 

PS:

Wer noch Verbesserungen der Schaltung an sich oder in der Beschriftung (oben) findet, kann die Schaltungen per Klick darauf extra öffnen, speichern und ggfls. abändern.

Dann diese geänderten gif´s / jpg´s bitte wieder an mich, damit ich sie hier verarbeiten kann.

PPS:

Wer noch Verbesserungen im Text an sich vornehmen möchte, hier die Word-Datei zum Download.

Dann diese geänderte .doc (.docx) bitte wieder an mich, damit ich sie hier verarbeiten kann.