|

Home
Microfiches
´08 - ´12
Microfiches ´13 - ´16 (´20)
Microfiches 2021 |
|
Microfiches Hayabusa Baujahr ´99 - ´07 |
Weil es immer wieder zu falschen
Bestellungen kommt,
weil man einfach nen Tick zu ungenau
beschrieben hat, was man braucht,
hier alle Microfiches der alten
Hayabusa samt den Bestellnummern.
Druckt Euch das Bild mit dem
benötigten Teil aus und Ihr spart Euch viel Zeit und garantiert
Falschlieferungen,
wenn Ihr richtig ablest.

Achtung :
Die Art.-Nummern der lackierten Teile sind NUR die von ´99 - ´02 .

Die späteren Baujahre sind bzgl. ihrer Farbgebung etc. nicht aufgelistet!
Lackierungen und alles zu den
Baujahren
ab 2003 - 2007 findet man
hier bei Laux
Zur Info noch Folgendes zu den
Buchstaben in den Klammern:
|
(
X ) |
steht für Baujahr 1999 |
(
K1 ) |
steht für Baujahr 2001 |
|
(
Y ) |
steht für Baujahr 2000 |
(
K2 ) |
steht für Baujahr 2002 |
|
( K3 -
K7 ) |
steht für Baujahr
2003 - 2007 |
Also
! Baujahr ! beachten, nicht aber das Datum der ersten Zulassung
(im Schein).
Wer
sich nicht sicher ist, kann diesen Link
Fahrgestell - Nummern / Baujahr
nutzen,
x
oder
x
mit seinem Fahrzeugschein in der Hand bei einem Suzuki-Händler über die Fahrgestell-Nummer um Auskunft bitten.
Und noch etwas -
ich habe mich bei der Erstellung der Liste und deren Links zwar sehr
konzentriert,
aber selbst so
ein Super-Duper-Übermensch,

wie ich, kann sich mal verhauen.
Also habe ich
links, in alphabetischer Reihenfolge, die deutsche Übersetzung und rechts die realen Namen des Bildes (ohne Endung ".jpg")
aufgelistet .
Bitte also auf
den korrekten Namen des Bildes achten, bevor Ihr bestellen wollt.
Eine Gewähr für
die 100%ige Richtigkeit der Links zu den Bildern schließe ich von vorne
herein aus.
|
Nr. |
Übersetzung |
Bildname |
|
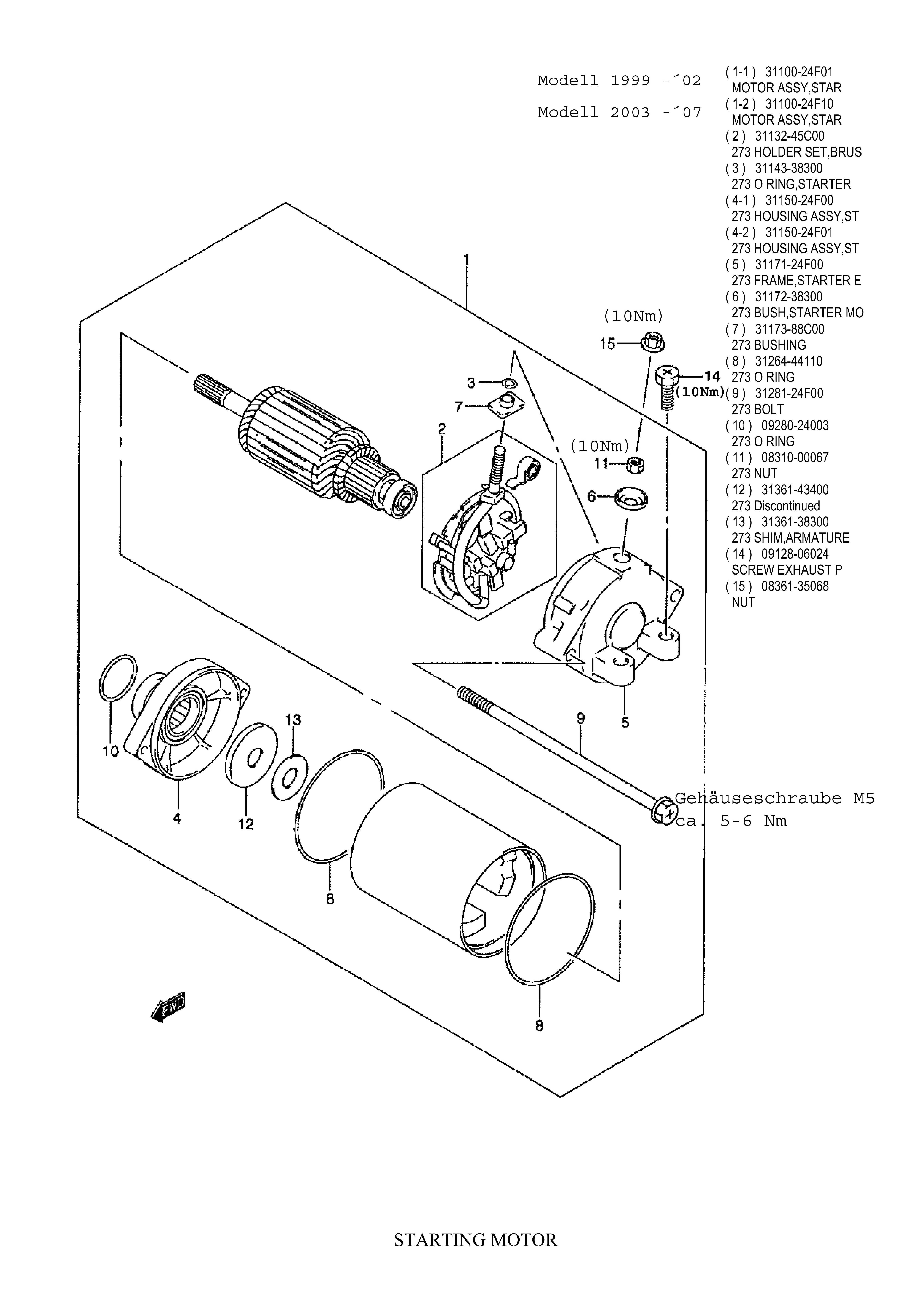
1.
A |
Anlasser
´99 - ´02 (kurze
Welle) |
STARTING MOTOR short (1.1) & long
(1.2) shaft |
|
1.
B |
Anlasser
´03 - 07 (lange
Welle - 29+ mm) |
|
2. |
Anlasser Freilauf (X,
Y, K 1, K 2) |
STARTER CLUTCH (MODEL X, Y, K1,
K2) |
|
3. |
Anlasser Freilauf (K 3 ...
K 7) |
STARTER CLUTCH (MODEL K3 - K7) |
|
4. |
Ausgleichswelle |
CRANK BALANCER |
|
5. |
Auspuffanlage (X, Y, K 1) |
MUFFLER (MODEL X, Y, K1) |
|
6. |
Auspuffanlage (K 2 -
K 3) |
MUFFLER (MODEL K2 - K3) |
|
7. |
Auspuffanlage (K 4 -
K 7) |
MUFFLER (MODEL K4 - K7) |
|
8. |
Batterie |
BATTERY
|
|
9. |
Befestigungsmaterial
Seitenverkleidungen |
UNDER COWL INSTALLATION PARTS |
|
10. |
Benzinhahn (X, Y) |
FUEL COCK (MODEL X, Y) |
|
11. |
Benzinpumpe (X, Y) |
PUMP ASSY (MODEL X, Y) |
|
12. |
Benzinpumpe (K1 -
K 7) |
PUMP ASSY (MODEL K1 -
K7) |
|
13. |
Benzintank (X) |
FUEL TANK (MODEL X) |
|
14. |
Benzintank (Y) |
FUEL TANK (MODEL Y) |
|
15. |
Benzintank (K1) |
FUEL TANK (MODEL K1) |
|
16. |
Benzintank (K2) |
FUEL TANK (MODEL K2) |
|
17. |
Benzintank (K3 ... K 7) |
FUEL TANK (MODEL K3) |
|
18. |
Blinker vo. & hi. |
TURNSIGNAL LAMP |
|
19. |
Brems- u. Kupplungshebel |
HANDLE LEVER |
|
20. |
Bremsleitungen vorne u. Geber |
FRONT BRAKE HOSE & PUMP |
|
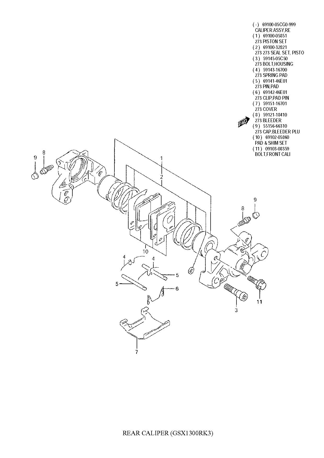
21. |
Bremssattel hi. ( X, Y, K1, K2
GSX1300 RZ
, K3) |
REAR CALIPER (MODEL
X, Y, K1, K2 GSX1300
RZ
K3) |
|
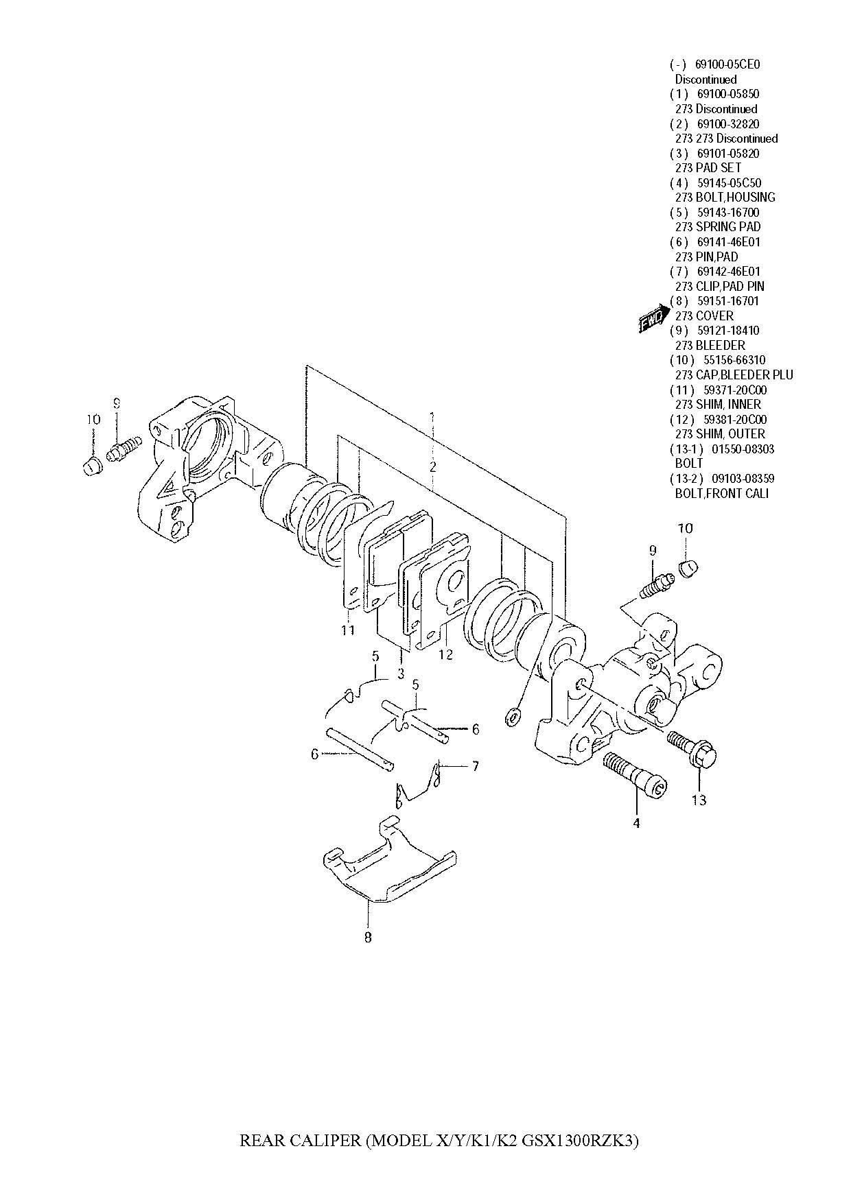
22. |
Bremssattel hi. (GSX1300
R , K3 ... K 7) |
REAR CALIPER (GSX1300
R
K3) |
|
23. |
Bremssättel vorne (X, Y, K1, K2) |
FRONT CALIPERS (MODEL X, Y, K1,
K2) |
|
24. |
Bremssättel vorne (K3 ... K
7) |
FRONT CALIPERS (MODEL K3 - K7) |
|
25. |
Bremszylinder hi, Bremsschlauch
(X, Y, K1, K2) |
REAR MASTER CYLINDER (MODEL X, Y,
K1, K2) |
|
26. |
Bremszylinder hi, Bremsschlauch
(K3 ... K 7) |
REAR MASTER CYLINDER (MODEL K3 -
K7) |
|
27. |
CDI, Regler, Zündspulen, sonstige
Bauteile |
ELECTRICAL |
|
28. |
Cockpit - Verkleidung (X & Y) |
COWLING BODY (MODEL X, Y) |
|
29. |
Cockpit - Verkleidung (K1) |
COWLING BODY (MODEL K1) |
|
30. |
Cockpit - Verkleidung (K2) |
COWLING BODY (MODEL K2) |
|
31. |
Cockpit - Verkleidung (K3
- K 7) |
COWLING BODY (MODEL K3 - K7) |
|
32. |
Drosselklappenbrücke (X, Y) |
THROTTLE BODY (MODEL X, Y) |
|
33. |
Drosselklappenbrücke (K1) |
THROTTLE BODY (MODEL K1) |
|
34. |
Drosselklappenbrücke (K2 - K 7) |
THROTTLE BODY (MODEL K2 - K7) |
|
35. |
EVAPO SYSTEM (nur bei E33) |
EVAPO SYSTEM (E33) |
|
36. |
Fußrastenanlage |
FOOTREST |
|
37. |
Gabel |
FRONT FORK DAMPER |
|
38. |
Gas- & Chokezüge, Abdeckplatte
mit Lenker, Spiegel |
HANDLEBAR&MIRRORS |
|
39. |
Getriebe |
TRANSMISSION |
|
40. |
Getriebe Gehäuse |
CRANKCASE |
|
41. |
Getriebe Gehäusedeckel
´99 |
CRANKCASE COVER ´99 |
|
42. |
Getriebe Gehäusedeckel ´00 - ´02 |
CRANKCASE COVER
´00-´02 |
|
43. |
Getriebe Gehäusedeckel ´03 - ´07 |
CRANKCASE COVER
´03-´07 |
|
44. |
Geweih, RamAir-Kanäle |
COWL BODY INSTALLATION PARTS (RAM
AIR) |
|
45. |
Griffe / Lenkerschalter li. & re. |
HANDLE SWITCH |
|
46. |
Haupt- & Heckrahmen |
FRAME |
|
47. |
Heck - Unterverkleidung |
REAR FENDER |
|
48. |
Heckverkleidung (X) |
FRAME COVER (MODEL X) |
|
49. |
Heckverkleidung (Y) |
FRAME COVER (MODEL Y) |
|
50. |
Heckverkleidung (K1) |
FRAME COVER (MODEL K1) |
|
51. |
Heckverkleidung (K2) |
FRAME COVER (MODEL K2) |
|
52. |
Heckverkleidung - K3
( ... K 7) |
FRAME COVER (MODEL K3 - K7) |
|
53. |
Hinterrad, Bremsscheibe,
Kettenradträger |
REAR WHEEL |
|
54. |
Kabelbaum, Zündschloß & Tankdeckel
(X, Y, K1, K2) |
WIRING HARNESS (MODEL X, Y, K1,
K2) |
|
55. |
Kabelbaum, Zündschloß & Tankdeckel
- K3 ( ... K 7) |
WIRING HARNESS (MODEL K3 - K7) |
|
56. |
Kotflügel vorne |
FRONT FENDER |
|
57. |
Kupplung (X, Y, K1) |
CLUTCH (MODEL X, Y, K1) |
|
58. |
Kupplung - K2, K3
( ... K 7) |
CLUTCH (MODEL K2 - K7) |
|
59. |
Kupplungsgeber u. -leitung |
CLUTCH HOSE & PUMP |
|
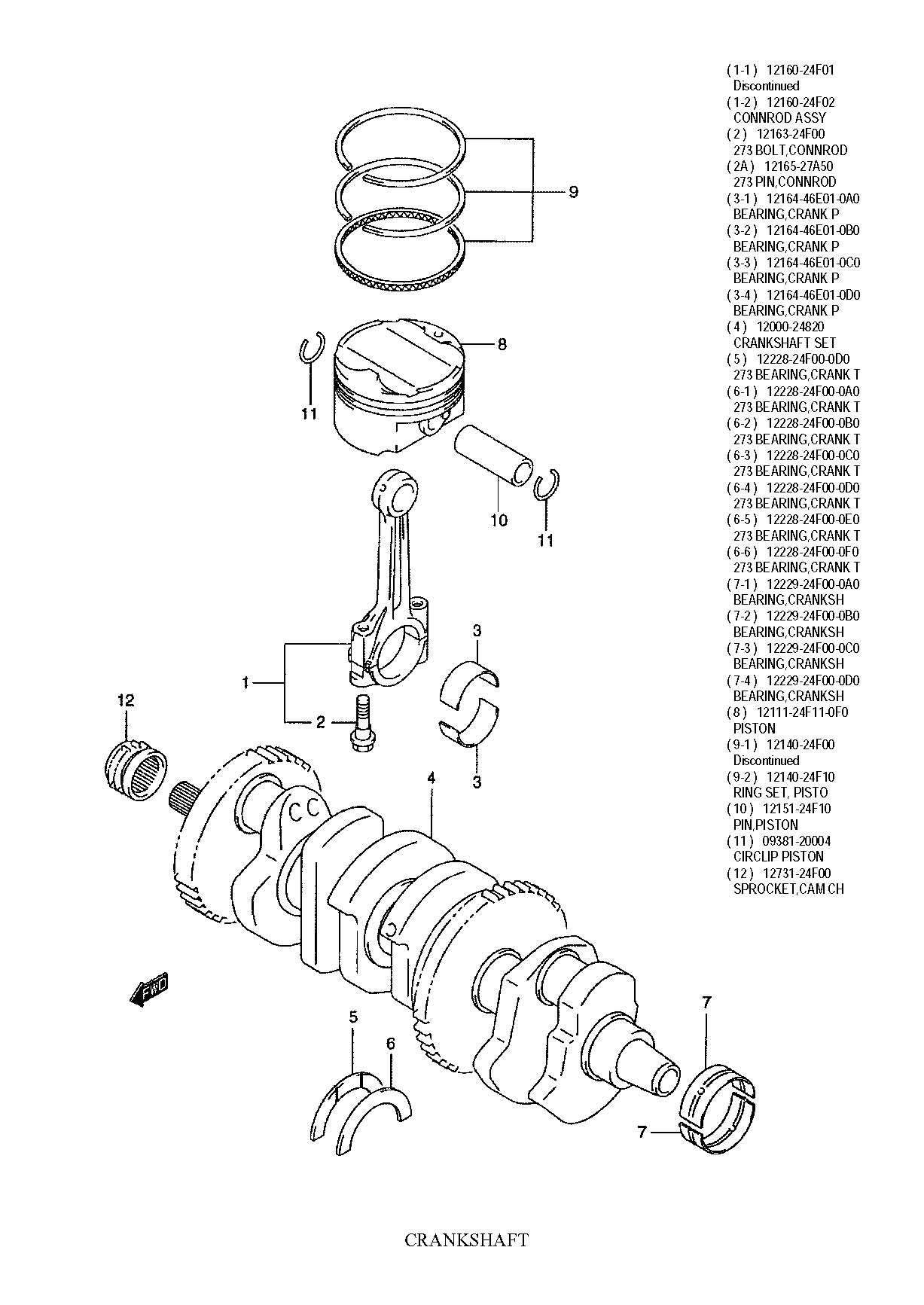
60. |
Kurbelwelle |
CRANKSHAFT |
|
61. |
Lenkungsdämpfer, Gabelbrücken (o.
& u.) |
BRACKET - STEERING DAMPER |
|
62. |
Lichtmaschine & Rotor |
MAGNETO |
|
63. |
Luftfilter |
AIR CLEANER |
|
64. |
Nockenwellen & Spanner |
CAM SHAFT- VALVE |
|
65. |
Ölkühler |
OIL COOLER |
|
66. |
Ölwanne - pumpe |
OIL PAN - OIL PUMP |
|
67. |
Rücklicht |
TAIL LAMP |
|
68. |
Schaltwalze u. - gabeln,
Fußschaltung, Schaltwelle |
GEAR SHIFTING |
|
69. |
Scheinwerfer |
HEADLAMP |
|
70. |
Scheinwerfer |
HEADLAMP#2 |
|
71. |
Schwinge - X, Y, K1, K2) |
REAR SWINGING ARM (MODEL X, Y, K1,
K2) |
|
72. |
Schwinge - K3 ( ... K 7) |
REAR SWINGING ARM (MODEL K3 - K7) |
|
73. |
Seiten- & Hauptständer |
STAND |
|
74. |
Seitenverkleidungen X |
UNDER COWLING (MODEL X) |
|
75. |
Seitenverkleidungen Y |
UNDER COWLING (MODEL Y) |
|
76. |
Seitenverkleidungen K1 |
UNDER COWLING (MODEL K1) |
|
77. |
Seitenverkleidungen K2 |
UNDER COWLING (MODEL K2) |
|
78. |
Seitenverkleidungen K3
(...
K 7) |
UNDER COWLING (MODEL K3) |
|
79. |
Sekundärluftsystem ("Abgasreinigung"
/ "Spinne") |
2ND
AIR |
|
80. |
Sitze vo. u. hi. - X, Y |
SEAT (MODEL X, Y) |
|
81. |
Sitze vo. u. hi. - K1 |
SEAT (MODEL K1) |
|
82. |
Sitze vo. u. hi. - K2 |
SEAT (MODEL K2) |
|
83. |
Sitze vo. u. hi. - K3
(...
K 7) |
SEAT (MODEL K3) |
|
84. |
Steuerkette |
CAM
CHAIN |
|
85. |
Tachometer |
SPEEDOMETER |
|
86. |
Umlenkung hinten, Federbein |
REAR CUSHION LEVER & DAMPER |
|
87. |
Ventildeckel |
CYLINDER HEAD COVER |
|
88. |
Vorderrad, Bremsscheiben |
FRONT WHEEL |
|
89. |
Wasserkühler |
RADIATOR |
|
90. |
Wasserkühler - Schläuche |
RADIATOR HOSE |
|
91. |
Wasserpumpe |
WATER PUMP |
|
92. |
Zylinder |
CYLINDER |
|
93. |
Zylinderkopf |
CYLINDER HEAD |
|
|
|
|
|
94. |
Dichtungssatz
komplett |
SONSTIGES#1
engine seal set |
|
95. |
Position Aufkleber |
SONSTIGES#2
Position Sticker |
|
96. |
Position Aufkleber |
SONSTIGES#3
Position Sticker |
|
97. |
ergänzender Text |
SONSTIGES#4
additional text |
Ach ja - sollte etwas nicht richtig
funktionieren, gebt, unter Angabe des jeweiligen Links, bitte Bescheid.
Danke.

PS :
Einen Teil der Fiches habe ich
unter Heranziehung der Fiches von Suzuki Laux und
deren
Online-Shop erstellt. |